W dzisiejszym wpisie na blogu przyjrzymy się, jak zintegrować falowniki korzystające z kolektora danych Solarman z systemem Home Assistant, przy użyciu dodatku Solarman Stick Logger wielkie podziękowania dla autora repo ! Link do githuba. To praktyczne narzędzie umożliwia monitorowanie pracy falownika i odczytanie szczegółowych danych bez konieczności stosowania dodatkowego okablowania – wszystko odbywa się po sieci lokalnej. Czym jest Solarman Stick Logger? Solarman Stick Logger to komponent Home Assistant zaprojektowany do współpracy z kolektorami
Po co używać licznika energii w Home Assistant? Home Assistant daje ogromne możliwości automatyzacji, ale bez dokładnych danych o zużyciu energii wiele scenariuszy po prostu nie ma sensu. Odczyty z falownika czy „inteligentnych gniazdek” są często zbyt ogólne albo niedokładne. Dedykowany licznik energii pozwala opomiarować konkretne urządzenia lub całe obwody, takie jak: Dzięki temu: Licznik energii z komunikacją Modbus RTU to dodatkowo pełna niezależność od chmury, stabilność działania i możliwość integracji dokładnie tak, jak
Głęboko rozładowany magazyn energii w falownikach Deye Low Voltage (48 V) nie zawsze oznacza jego uszkodzenie. W wielu przypadkach bateria została jedynie zablokowana przez BMS z powodu zbyt niskiego napięcia. Poniżej opisuję sprawdzoną procedurę „ratowania” baterii LiFePO₄ (16S) w falownikach Deye. ⚠️ UwagaOpisana procedura dotyczy magazynów LiFePO₄ 48 V (16S) współpracujących z falownikami Deye LV. Wszystkie czynności wykonujesz na własną odpowiedzialność.Bardzo ważne: przed rozpoczęciem procedury należy upewnić się, że temperatura baterii wynosi co najmniej
🌟 Czym jest Lumina Energy Card? – LINK DO REPO Lumina Energy Card to custom Lovelace card dla Home Assistant, która przedstawia energią w czasie rzeczywistym w formie animowanych przepływów pomiędzy PV (panele słoneczne), siecią, domowym zużyciem, bateriami i — opcjonalnie — ładowaniem samochodu elektrycznego. To coś więcej niż zwykły wykres czy licznik — to wizualizacja, która działa jak mini-dashboard w dashboardzie — przejrzysta, estetyczna i bardzo „żywa”. 🎨 Dlaczego wygląda tak dobrze? To,
Czytając liczne wpisy na naszej grupie, doszedłem do wniosku, że warto przygotować krótki poradnik pokazujący, jak naładować magazyn energii z sieci, a przy okazji odpowiednio dopasować czasy w trybie ToU pod bardzo popularną taryfę G12. Temat regularnie się przewija, pojawia się wiele pytań i niejasności, dlatego postanowiłem zebrać wszystko w jednym miejscu i opisać to krok po kroku w możliwie prosty sposób. Zapraszam do zapoznania się z wpisem — mam nadzieję, że okaże się
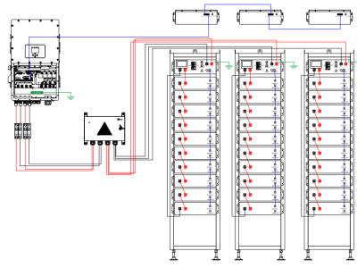
Rozbudowa magazynu energii to jeden z najczęstszych etapów modernizacji instalacji fotowoltaicznych i systemów hybrydowych. Wraz ze wzrostem zapotrzebowania na energię użytkownicy oczekują możliwości łatwego dodawania nowych modułów bateryjnych. Firma Deye ESS przygotowała szczegółowy przewodnik rozszerzeń, dzięki któremu instalatorzy mogą przeprowadzać ten proces bezpiecznie, zgodnie ze specyfikacją producenta oraz z zachowaniem gwarancji. Poniżej przedstawiamy najważniejsze informacje z wersji Battery Extension Manual V1.4 (2025) Dlaczego poprawna rozbudowa jest tak ważna? Dobór i łączenie magazynów energii różnych
Funkcja AC Couple w falownikach hybrydowych Deye umożliwia współpracę z falownikiem sieciowym (on-grid), w tym również z mikrofalownikami. Dzięki niej możliwe jest połączenie istniejącego systemu PV z nowym falownikiem hybrydowym, bez konieczności przerabiania instalacji DC. To idealne rozwiązanie dla użytkowników, którzy chcą rozbudować istniejącą instalację o magazyn energii. Czym jest AC Coupling? AC Coupling (sprzężenie po stronie AC) polega na tym, że energia z falownika sieciowego trafia do sieci prądu przemiennego (AC), a następnie
Zima w Polsce to szczególne wyzwanie dla użytkowników instalacji PV z magazynem energii. Krótkie dni, niskie kąty padania słońca i częste zachmurzenie sprawiają, że uzyski energii z fotowoltaiki są mocno ograniczone. W takich warunkach odpowiednia strategia ładowania akumulatorów LiFePO₄ ma kluczowe znaczenie – nie tylko dla efektywności, ale i dla samego systemu BMS. Dlaczego warto regularnie doładowywać akumulator do 100%? Każdy akumulator LiFePO₄ wyposażony jest w BMS (Battery Management System). To właśnie on odpowiada
Jeśli posiadasz rejestrator danych współpracujący z instalacją fotowoltaiczną lub innym systemem monitorowania, prawdopodobnie potrzebujesz go połączyć z domową siecią WiFi, aby móc zdalnie odczytywać dane. W tym wpisie pokażę krok po kroku, jak poprawnie skonfigurować takie urządzenie. Krok 1: Włącz sieć WiFi i połącz się z rejestratorem Pierwszym krokiem jest połączenie się z siecią generowaną przez rejestrator danych. Na liście dostępnych sieci znajdziesz nazwę zaczynającą się od AP+SN.Hasło do tej sieci znajdziesz na etykiecie
W tym wpisie pokażę, jak za pomocą ESPHome oraz Modbus RTU dodać encję w Home Assistant, która umożliwia przełączenie falownika w tryb off-grid. Dzięki temu możesz automatycznie sterować pracą falownika np. w nocy, przy wysokim SOC baterii lub w czasie drogich taryf. 🔌 Co będzie potrzebne? Falownik Deye (np. SUN-5/6/8/10/12K SG04LP3 lub SG01HP3) ESP32/ESP8266 z RS485 i ESPHome Aktywny modbus_controller w ESPHome Rejestr Modbus RTU: adres 356 – próg zaniku napięcia sieci 🧱 Konfiguracja
Jeśli korzystasz z dodatku Flex Horseshoe Card w Home Assistant i po aktualizacji lub zmianach w systemie karta przestała działać, to prawdopodobnie przyczyną jest problem z biblioteką LIT. W tym wpisie pokażę Ci, jak naprawić dodatek krok po kroku. 📂 Krok 1: Pobierz rdzeń LIT Musisz pobrać plik rdzenia LIT i umieścić go w odpowiednim katalogu Home Assistant: 1.Pobierz plik lit-core.min.js i umieść go w katalogu: 2.Upewnij się, że plik został poprawnie zapisany i
